Наш телеграм-канал: https://t.me/medfordservice
Внешний вид аппарата
Линейка стационарных аппаратов DC от Mindray хорошо себя зарекомендовала на российском рынке, и она постоянно модернизируется. Так, на замену обычной семидесятке пришел когда-то DC-70 Pro X-Insight. В этом выпуске речь пойдет именно о нем.
Он позиционируется наравне с такими аппаратами как Voluson S8, Logiq P9 и Affiniti 50.
Качество визуализации на DC-70 Pro X-Insight впечатляющее.
Отличительной особенностью новой семидесятки является наличие монокристаллических датчиков.
Других отличительных особенностей новой версии не много, но и не мало:
- Широкоформатный Full HD монитор 23,8 дюйма
- Сенсорный экран 13,3 дюйма

- Платформа X-Insight, лучшее качество визуализации и скорость работы во время исследований
- Корпус в обновленном цвете
- Другая ручка для транспортировки

Расположение внутренних модулей такое же как и у семидесятки старой версии.
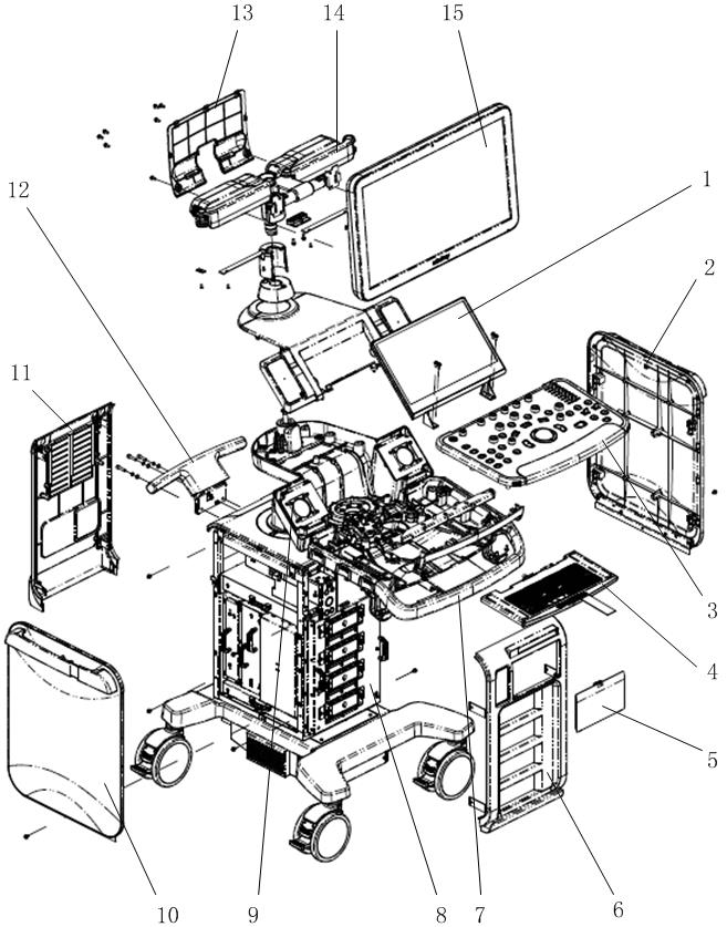
Внутреннее строение
На изображении ниже приведена схема устройства DC-70 Pro X-I

Все как и у всех УЗИ аппаратов. Чтобы добраться до внутренностей аппарата, необходимо снять боковые стенки. Нужно выкрутить винт снизу под стенкой и аккуратно потянуть ее вверх относительно пола.

Front-End Unit
В состав фронта входит:
- Плата Probe board
- Плата Engine board
- Плата TR
- Плата CW
- 4D&TEE





Back-End Unit
В состав бэк-части входят
- PC carrier board
- PC модуль
- Графический процессор GPU
- IO board
- Материнская плата



То, без чего DC-70 Pro X-Insight не был бы иксинсайтом — это графический процессор. В качестве сопроцессора внутреннего блока обработки модуль GPU в основном используется для совместной обработки изображений при обработке изображений 3D / 4D. Он реализует 3D / 4D визуализацию вместе с модулем CPU.



1 — USB
2 — Порт сенсорного экрана
3 — Порт монитора
4 — Порт питания HDD
5 — DVD-RW
6 — Порт принтера
7 — Порт микрофона
8 — Порт динамика
9 — ЭКГ модуль
10 — Сигнал панели управления
11 — Питания панели управления
12 — 12В к сенсорному экрану
13 — 12В к монитору
14 — Коннектор батареи
15 — AC Aux Output
16 — Коннектор AC-DC
17 — 12В входное питание
18 — Заземление
Peripheral & User Interface
К устройствам пользователя в новой семидесятке относятся:
- Панель управления
- Сенсорный экран
- Экран монитора
- ЭКГ модуль
- Wi-Fi модуль




Power Supply Unit
- Нижний блок питания
- DC-DC board
- PHV Board
- Батарея (опционально)


