×
Акции
Сервис
  • Ремонт УЗИ аппаратов
  • Ремонт мониторов пациента
  • Ремонт наркозных аппаратов
  • Ремонт ИВЛ аппаратов
  • Ремонт дефибрилляторов
  • Ремонт УЗИ датчиков
  • Ремонт операционных ламп (хирургических светильников)
  • Ремонт эндоскопического оборудования
  • Ремонт операционных столов
  • Ремонт компьютерных томографов
  • Ремонт рентген оборудования
  • Ремонт МРТ аппаратов
  • Ремонт маммографов
Обучение
Кейсы
Статьи
Комплексное оснащение
Компания
  • О компании
  • Новости
  • Отзывы
  • Карьера
  • Лицензии
  • Реквизиты
Контакты
    +7 (499) 495-48-21
    +7 (499) 495-48-21
    E-mail
    info@medford.ru
    Адрес
    • г. Москва, Ленинский пр-т, д.146
    • г. Екатеринбург ул. Малышева 51, офис 1907
    • г. Махачкала проспект Имама Шамиля 34г
    Режим работы
    Пн - Пт: с 9:00 до 19:00
    Медфорд
    От поставки до бесперебойной 
    работы медтехники
    iLivTouch
    Аппарат для эластографии печени
    iLivTouch
    Philips
    • Ультразвуковая диагностика
      Ультразвуковая диагностика
      • УЗИ аппараты
      • Датчики для УЗИ      
        • Конвексные датчики УЗИ
        • Линейные датчики УЗИ
        • Внутриполостные датчики УЗИ
        • Микроконвексные датчики УЗИ
        • Секторные фазированные датчики УЗИ
        • Карандашные УЗИ датчики
        • Чреспищеводные датчики УЗИ
      • Тележки для УЗИ
      • Принтеры для УЗИ
      • Источники бесперебойного питания
    • Гибкая эндоскопия
      Гибкая эндоскопия
      • Видеоэндоскопические системы
      • Эндоскопы      
        • Колоноскопы
        • Гистероскопы
        • Цистоскопы
        • Гастроскопы
        • Бронхоскопы
        • Энтероскопы
        • Уретроскопы
        • Дуоденоскопы
        • Холедохоскопы
        • Сигмоидоскопы
        • Риноларингоскопы
      • Видеопроцессоры
      • Мониторы эндоскопические
      • Источники света
      • Мойки для эндоскопов
      • Эндоскопические смотровые столы
      • Тележки эндоскопические
    • Жесткая эндоскопия
      Жесткая эндоскопия
      • Эндоскопические стойки
      • Мониторы для жесткой эндоскопии
      • Помпы для эндоскопических операций
      • Аспираторы-ирригаторы
      • Осветители эндоскопические
      • Видеопроцессоры для жесткой эндоскопии
      • Электрохирургические блоки для эндоскопии
      • Инсуффляторы
      • Лапароскопы
    • Лучевая диагностика
      Лучевая диагностика
      • Рентгеновские аппараты
      • Портативные рентген аппараты
      • Рентген аппараты типа С-дуга
      • Аппараты КТ
      • Маммографы
      • Ангиографы
      • Флюорографы
      • Денситометры
      • Дополнительное рентген оборудование      
        • Негатоскопы
        • Детекторы
        • Дозиметры радиации
        • Рентгеновская плёнка
        • Оцифровщики рентгеновских снимков
        • Рентгенопрозрачные столы
        • Проявочные машины для рентгеновских плёнок
        • Рентгенозащитные окна
        • Системы компьютерной радиографии
        • Мониторы для рентгенографии
        • Инжекторы для ангиографов
        • Инжекторы для КТ аппаратов
        • Термопринтеры рентгеновских снимков
    • Анестезиология и реанимация
      Анестезиология и реанимация
      • Наркозно-дыхательные аппараты
      • Аппараты ИВЛ
      • Мониторы пациента
      • Дефибрилляторы
      • Инфузионные насосы
      • Инкубаторы для новорождённых
      • Концентраторы кислорода
      • Дополнительное оборудование      
        • Компрессоры для НДА
        • Компрессоры для ИВЛ аппаратов
        • Испарители анестетиков
        • Небулайзеры для ИВЛ аппаратов
    • Хирургическое оборудование
      Хирургическое оборудование
      • Операционные столы
      • Отсасыватели хирургические
      • Операционные микроскопы
      • Светильники хирургические
      • Консоли хирургические
      • Аппараты электрохирургические
      • Эвакуаторы дыма
      • Лазеры хирургические
      • Ультразвуковые хирургические аппараты
    • ЛОР оборудование
      ЛОР оборудование
      • ЛОР-комбайны
      • ЛОР-кресла
      • Эндоскопы для оториноларингологии
      • ЛОР-видеосистемы
      • Аппараты ЭХВЧ для ЛОР
      • Дополнительное ЛОР оборудование      
        • Эхосинускопы
        • ЛОР микроскопы
        • ИК излучатели
        • УЗ ЛОР аппараты
        • ЛОР аспираторы
        • ЛОР ирригаторы
        • Налобные осветители
        • Массажеры
        • Ларингостробоскопы
        • ЛОР небулайзеры
        • Системы для исследования вестибулярного аппарата
        • Футляры для стерилизации
    • Магнитно-резонансная томография
      Магнитно-резонансная томография
      • Аппараты МРТ
      • Катушки для МРТ
      • Допоборудование для МРТ      
        • ИБП для МРТ аппаратов
        • Серверы хранения данных для МРТ аппаратов
        • Инжекторы для МРТ аппаратов
        • Мониторы пациента для МРТ
        • Программное обеспечение для МРТ аппаратов
    • Гинекологическое оборудование
      Гинекологическое оборудование
      • Кольпоскопы
      • Гинекологические кресла
      • Отсасыватели гинекологические
      • Гинекологические светильники
      • Гинекологические столы
      • Акушерские кровати
      • Фетальные мониторы
      • Гинекологические комбайны
      • Аппараты ЭХВЧ для гинекологии
      • Хирургические УЗ-аппараты
    • Ветеринарное оборудование
      Ветеринарное оборудование
      • Ветеринарные УЗИ аппараты      
        • Ветеринарные УЗИ датчики
      • Ветеринарная анестезиология и реанимация      
        • Наркозно-дыхательные аппараты ветеринарные
        • Ветеринарная инфузионная техника
        • Ветеринарные мониторы пациента
      • Ветеринарная лучевая диагностика      
        • Ветеринарные компьютерные томографы
        • Рентген аппараты для ветеринарии
      • Лабораторное оборудование для ветеринарии
      • Хирургическое оборудование для ветеринарии
      • Ветеринарные МРТ аппараты
      • Ветеринарная эндоскопия
    Каталог
    По всему сайту
    По каталогу
    Войти
    0 Сравнение
    0 Избранное
    0 Корзина
    УЗИ аппараты НДА ИВЛ Жесткая эндоскопия Гибкая эндоскопия Хирургическое оборудование Бренды
    iLivTouch Medford VET
    Медфорд
    Каталог
    По всему сайту
    По каталогу
    Войти
    0 Сравнение
    0 Избранное
    0 Корзина
    Медфорд
    Телефоны
    +7 (499) 495-48-21
    E-mail
    info@medford.ru
    Адрес
    • г. Москва, Ленинский пр-т, д.146
    • г. Екатеринбург ул. Малышева 51, офис 1907
    • г. Махачкала проспект Имама Шамиля 34г
    Режим работы
    Пн - Пт: с 9:00 до 19:00
    0
    0
    0
    • Кабинет
    • 0 Сравнение
    • 0 Избранное
    • 0 Корзина
    • Бренды
    • Акции
    • Сервис
      • Сервис
      • Ремонт УЗИ аппаратов
      • Ремонт мониторов пациента
      • Ремонт наркозных аппаратов
      • Ремонт ИВЛ аппаратов
      • Ремонт дефибрилляторов
      • Ремонт УЗИ датчиков
      • Ремонт операционных ламп (хирургических светильников)
      • Ремонт эндоскопического оборудования
      • Ремонт операционных столов
      • Ремонт компьютерных томографов
      • Ремонт рентген оборудования
      • Ремонт МРТ аппаратов
      • Ремонт маммографов
    • Компания
      • Компания
      • О компании
      • Новости
      • Отзывы
      • Карьера
      • Лицензии
      • Реквизиты
    • Статьи
    • Информация
      • Информация
      • Кейсы
      • Статьи
      • Новости
      • Отзывы
    • Контакты
    +7 (499) 495-48-21
    • Телефоны
    • +7 (499) 495-48-21
    • info@medford.ru
      • г. Москва, Ленинский пр-т, д.146
      • г. Екатеринбург ул. Малышева 51, офис 1907
      • г. Махачкала проспект Имама Шамиля 34г
    • Пн - Пт: с 9:00 до 19:00
    Главная
    Сервис
    Как устроен УЗИ-аппарат Mindray Resona I9

    Как устроен УЗИ-аппарат Mindray Resona I9

    Как устроен УЗИ-аппарат Mindray Resona I9
    Сервис

    Мы продолжаем разбираться в аппаратах новой линейки Resona. В этом выпуске мы заглянем внутрь системы. Напоминаем, что на нашем YouTube-канале также вышел видеоролик с обзором.


    Внутреннее строение

    Начнем со структурной схемы аппарата. Составляющие вполне стандартные:

    • Front-End и Back-End unit
    • User Interface
    • Power Supply Unit

    e765a38e2afe163937640.png

    Далее рассмотрим взрыв-схему аппарата.

    febcbc5a699ac1bc5e704.png

    2.png


    Front-End Unit

    В аппарате есть пять 260-контактных портов S-типа. Каждый порт датчика имеет матрицу в 128 элемента, соединенных с физическим каналом Main Unit. Датчики управляются Front-End блоком.

    3.png

    4.png

    Перейдем к Main Unit. При снятии крышки передней панели он находится справа и вытаскивается с помощью поворотного фиксатора.

    5.png

    На взрыв-схеме:

    • Бирюзовая — плата Front-End Board
    • Желтая — плата PHV
    • Красная — Digital Board + CPU (часть Back-End)
    • Темно-фиолетовая — модуль GPU (часть Back-End)
    • Фиолетовая — 4D&TEE Board
    • Синяя — CW модуль

    6.png

    Плата Front-End отвечает за функции обеспечения низковольтного питания, поддержки 128 каналов передачи-приема сигнала, дискретизации сигнала от платы CW, а также поддержки карандашного датчика и др.


    7.png

    Далее на изображении верхняя плата — CW, нижняя плата — 4D&TEE

    8.png


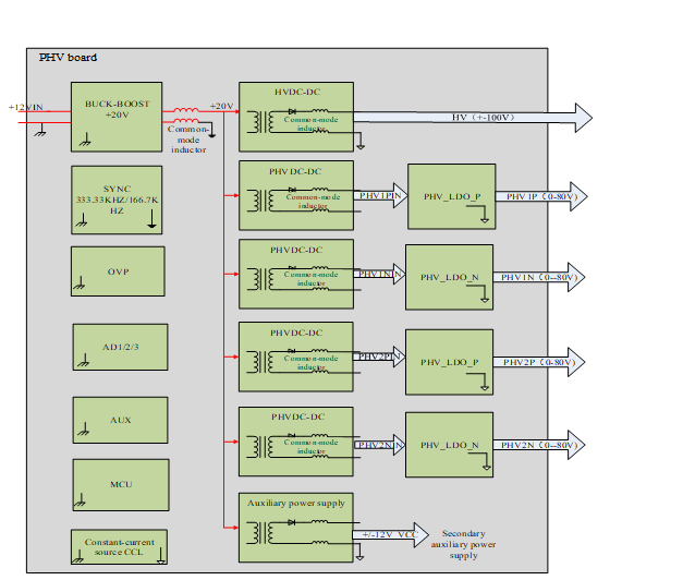
    Плата PHV подает питание на схему передачи.

    9.png

    10.png

    Немаловажным элементом фронтэнда является и ЭКГ модуль. Находится в одном узле с платой Probe Board.

    11.png


    Back-End Unit

    В состав бэкендовской части входят:

    • Digital Board + CPU
    • Графический процессор GPU
    • SSD
    • HDD
    • IO board
    • Mother Board

    В функции Digital + CPU входят поддержка CPU, модуля GPU, расширение порта ввода-вывода CPU, управление включением питания, общий внутренний мониторинг.

    12.png

    13.png


    К Digital Board крепится модуль графического процессора.

    14.png


    Вся информация об операционной системе и ПО Doppler содержится на SSD накопителе на 128 Гб. Информация об исследованиях хранится на HDD носителе на 1 Тб. Он расположен с тыльной стороны аппарата за задней крышкой.

    15.png

    16.png


    Перейдем к самому важному — материнской плате. Она также расположена с тыльной стороны.

    17.png

    1,2 — USB передней панели

    3 — выход 12В на плату адаптера панели управления

    4 — связь с контрольной панелью

    5 — USB сигнал на плату адаптера панели управления

    6 — HDMI порт главного монитора

    7 — HDMI сенсорного экрана

    8 — ЭКГ

    9 — 12В к модулям за передней крышкой

    10 — HDD сигнал

    11 — питание HDD

    12 — динамики

    13 — микрофон

    14 — дополнительный выход

    15 — вход AC

    16 — вентиляторы


    Wi-Fi и 4G модуль также находятся на материнской плате, но их уже можно отнести к Периферийным устройствам.

    20.png

    1 — Wi-Fi модуль, 2 — 4G модуль


    User Interface & Peripherals

    В состав периферийных устройств входят:

    • Панель управления
    • Плата адаптера панели управления
    • Маленькая клавиатура
    • Сенсорный экран (15,6 дюймов Full HD)
    • Монитор (23,8 дюйма Full HD)
    • Wi-Fi и 4G модули
    • Плата ввода-вывода

    На изображении ниже показан вид контрольной панели снизу и ее составляющие.

    21.png

    22.png


    23.png

    1 — USB 3.0 к панели управления

    2 — Type-C

    3,4 — 12В к подогревателю геля справа и слева соответственно

    5 — HDMI к монитору

    6 — 12В к монитору

    7 — 12В входные от материнской платы

    8 — резервный порт

    9 — плата питания и связи сенсорного экрана

    10 — питание сенсорного экрана

    11 — USB сигнал к сенсорному экрану

    12 — USB сигнал к маленькой клавиатуре

    13 — порт питания и связи панели управления

    14 — связь с материнской платой

    15 — USB связь с материнской платой

    16 — HDMI к сенсорному экрану


    Еще одним элементом периферии является маленькая клавиатура. Из паза ее можно достать, приподняв через специальное отверстие под панелью управления.

    24.png

    IO Board находится с тыльной стороны аппарата ближе к материнской плате.

    25.png


    Power Supply Unit

    Перейдем, наконец, к системе питания аппарата. К ее элементам относятся:

    1) Узел ввода мощности

    26.png

    2) Блок питания

    27.png

    28.png

    3) Аккумуляторный модуль

    29.png


    Мы подошли к концу выпуска. Он получился довольно объемный, но мы рассмотрели каждую деталь аппарата. В аппарате Imagyn I9 все будет выглядеть аналогичным образом. Спасибо, что вы с нами! Читайте о других аппаратах, сервисе Mindray и не только в нашем Telegram-канале сервиса: https://t.me/medfordservice

    Дополнительно

    Дополнительная вкладка, для размещения информации о статьях, доставке или любого другого важного контента. Поможет вам ответить на интересующие покупателя вопросы и развеять его сомнения в покупке. Используйте её по своему усмотрению.

    Вы можете убрать её или вернуть обратно, изменив одну галочку в настройках компонента. Очень удобно.

    • Комментарии
    Загрузка комментариев...
    Назад к списку
    • Все публикации 57
      • Интервью 4
      • Оборудование 12
      • Опции 16
      • Про клиники 4
      • Сервис 21
    Подпишитесь на рассылку наших новостей и акций
    Подписаться
    Подписаться
    на новости и акции
    Связаться с нами
    +7 (499) 495-48-21
    +7 (499) 495-48-21
    E-mail
    info@medford.ru
    Адрес
    • г. Москва, Ленинский пр-т, д.146
    • г. Екатеринбург ул. Малышева 51, офис 1907
    • г. Махачкала проспект Имама Шамиля 34г
    Режим работы
    Пн - Пт: с 9:00 до 19:00
    info@medford.ru
    • г. Москва, Ленинский пр-т, д.146
    • г. Екатеринбург ул. Малышева 51, офис 1907
    • г. Махачкала проспект Имама Шамиля 34г
    Категории
    Каталог
    Акции
    Бренды
    Сервис
    Оснащение медицинского кабинета
    Компания
    О компании
    Новости
    Отзывы
    Карьера
    Лицензии
    Реквизиты
    Информация
    Кейсы
    Статьи
    Новости
    Отзывы
    Помощь
    Условия оплаты
    Условия доставки
    Гарантия на товар
    Вопрос-ответ
    © 2026 Medford.ru
    Конфиденциальность
    Оферта
    Главная Каталог 0 Корзина 0 Избранные Кабинет 0 Сравнение Акции Контакты Услуги Бренды Отзывы Компания Лицензии Документы Реквизиты Блог Обзоры